


Autommatronic provee soluciones integrales en procesos industriales, sistemas automatizados, sistemas de control de aire comprimido, vacío e hidraulico para su empresa, comercio u hogar apoyando sus necesidades principales de reducción de gastos, con alta efectividad en realizar cualquier servicio con una atención personalizada.
Empresa mexicana con experiencia en el ramo, comprometido con la sociedad, manteniendo una alta responsabilidad, entodas estas acciones cuidamos que se cumplan las normas y soluciones integrales.
Nuestro objetivo es ser el principal proveedor de servicios automatizados y procesos especiales, ofreciendo un servicio eficiente, efectivo mediante análisis, conocimiento de las necesidades y soluciones para el mercado dirigido con una innovación en nuestros procesos de servicios; trabajando con pasión, compromiso y entusiasmo para lograr la satisfacción de todos nuestros clientes.
Ofrecer servicios especializados en procesos industriales y automatizados utilizando ingeniería de vanguardia y equipo de la más alta calidad, manteniendo siempre el espíritu humano para una atención de calidad internacional dentro de un programa de mejora continua.

Al implementar nuevas tecnologías de automatización y control, en la administración y operación de los procesos de tu industria, puedes beneficiarte con un mejor monitoreo y control de tu sistema o maquinaria, explotando las capacidades de operación y calidad de tu proceso, reduciendo costos, tiempos y riesgos de operación.

Al tener una buena administración de tu energía eléctrica garantizas un buen funcionamiento de tus equipos eléctricos, reduciendo los costos de mantenimiento, costos de consumo eléctrico y costos de tus equipos al no protegerlos adecuadamente. Evita las fallas por cortes y recargos eléctricos si como incidentes en tu industria a causa de un mal estado en tus instalaciones eléctricas. Y mantenlas en buen funcionamiento acordes a las normas de eléctricas actuales.

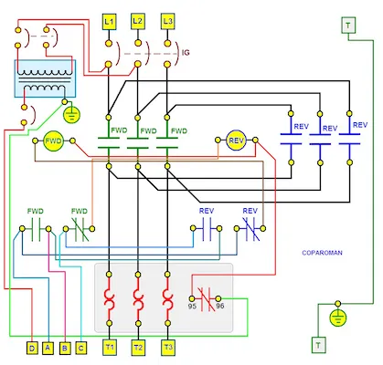
Una de las problemáticas más frecuentes en la industria, es la falta de ingeniería de los sistemas y procesos. Por lo que te recomendamos contar y actualizar la documentación técnica de tu industria.
Autommatronic provee soluciones integrales en procesos industriales, sistemas automatizados, sistemas de control de aire comprimido, vacío e hidraulico para su empresa, comercio u
Ser la empresa líder en automatización y procesos especializados de México contando con la tecnología mas avanzada para llegar a mas empresas con mejor servicio

Nuestro objetivo es ser el principal proveedor de servicios automatizados y procesos especiales, ofreciendo un servicio eficiente, efectivo mediante análisis, conocimiento de las necesidades y
Ofrecer servicios especializados en procesos industriales y automatizados utilizando ingeniería de vanguardia y equipo de la más alta calidad, manteniendo siempre el espíritu humano

Al implementar nuevas tecnologías de automatización y control, en la administración y operación de los procesos de tu industria, puedes beneficiarte con un mejor monitoreo

Al tener una buena administración de tu energía eléctrica garantizas un buen funcionamiento de tus equipos eléctricos, reduciendo los costos de mantenimiento, costos de consumo eléctrico y

Una de las problemáticas más frecuentes en la industria, es la falta de ingeniería de los sistemas y procesos. Por lo que te recomendamos contar y actualizar la
Contamos una gran variedad de productos para tus proyectos ingresa al link y revisa nuestra lista
Trabajamos con las mejores marcas de mercado actual y nos mantenemos actualizados co nuevas herramientas de trabajo